Web Analytics Made Easy - Statcounter

If you are searching about RV Fuse Panel Diagram (Location, Replacement, Helpful Guide) you've visit to the right place. We have 25 Pics about RV Fuse Panel Diagram (Location, Replacement, Helpful Guide) like RV Fuse Panel Diagram - RV Camp Gear, RV Fuse Panel Diagram - RV Camp Gear and also Keystone Rv Wiring Diagram » Wiring Draw And Schematic. Here it is:

RV Fuse Panel Diagram (Location, Replacement, Helpful Guide)

RV Fuse Panel Diagram (Location, Replacement, Helpful Guide) thecampingadvisor.com

Keystone Rv Wiring Diagram

Keystone Rv Wiring Diagram www.wiringdraw.com

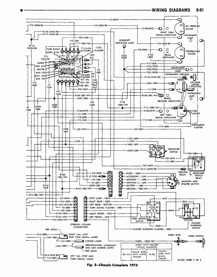
Travel Trailer Rv Fuse Panel Diagram

Travel Trailer Rv Fuse Panel Diagram axiom-northwest.com

RV Fuse Panel Diagram - RV Camp Gear

RV Fuse Panel Diagram - RV Camp Gear www.rvcampgear.com

The Complete Guide To Understanding Your RV Fuse Panel: Diagrams And

The Complete Guide to Understanding Your RV Fuse Panel: Diagrams and shortcircuitweb.com

Keystone Rv Fuse Panel Diagram

Keystone Rv Fuse Panel Diagram userdatasimulcasts.z5.web.core.windows.net

Keystone Rv Wiring Diagram | Manual E-Books - Keystone Rv Wiring

Keystone Rv Wiring Diagram | Manual E-Books - Keystone Rv Wiring 2020cadillac.com

keystone wiring

Keystone Rv Wiring Diagram » Wiring Draw And Schematic

Keystone Rv Wiring Diagram » Wiring Draw And Schematic www.wiringdraw.com

Keystone Rv Wiring Diagram

Keystone Rv Wiring Diagram www.wiringdraw.com

Keystone Rv Wiring Diagram

Keystone Rv Wiring Diagram www.wiringdraw.com

RV Fuse Panel Diagram (Location, Replacement, Helpful Guide)

RV Fuse Panel Diagram (Location, Replacement, Helpful Guide) thecampingadvisor.com

Keystone Rv Wiring Diagram » Wiring Draw And Schematic

Keystone Rv Wiring Diagram » Wiring Draw And Schematic www.wiringdraw.com

Keystone Rv Tv Wiring Diagram - IOT Wiring Diagram

Keystone Rv Tv Wiring Diagram - IOT Wiring Diagram www.176iot.com

Keystone Rv Wiring Diagram | Wiring Diagram - Keystone Rv Wiring

Keystone Rv Wiring Diagram | Wiring Diagram - Keystone Rv Wiring 2020cadillac.com

montana keystone

RV Fuse Panel Diagram (Location, Replacement, Helpful Guide)

RV Fuse Panel Diagram (Location, Replacement, Helpful Guide) thecampingadvisor.com

Keystone Rv Wiring Diagram

Keystone Rv Wiring Diagram www.wiringdraw.com

Keystone Rv Wiring Diagram

Keystone Rv Wiring Diagram www.wiringdraw.com

Keystone Rv Wiring Diagram | Manual E-Books - Keystone Rv Wiring

Keystone Rv Wiring Diagram | Manual E-Books - Keystone Rv Wiring annawiringdiagram.com

wiring river rv fleetwood winnebago motorhome chassis georgetown p30 bounder keystone f53 brave rambler gulfstream headlight wfco schematic dodge motor

RV Fuse Panel Diagram - RV Camp Gear

RV Fuse Panel Diagram - RV Camp Gear www.rvcampgear.com

Keystone Rv Wiring Diagram

Keystone Rv Wiring Diagram www.wiringdraw.com

Keystone Rv Wiring Diagrams » Diagram Board

Keystone Rv Wiring Diagrams » Diagram Board www.diagramboard.com

Keystone Rv Wiring Schematic | Manual E-Books - Keystone Rv Wiring

Keystone Rv Wiring Schematic | Manual E-Books - Keystone Rv Wiring annawiringdiagram.com

keystone wiring

Owner's Manuals For Keystone RV - Keystone RV

Owner's Manuals for Keystone RV - Keystone RV www.keystonerv.com

Keystone Rv Tv Wiring Diagram

Keystone Rv Tv Wiring Diagram www.wiringdraw.com

RV Fuse Panel Diagram - RV Camp Gear

RV Fuse Panel Diagram - RV Camp Gear www.rvcampgear.com

Keystone rv fuse panel diagram. Rv fuse panel diagram (location, replacement, helpful guide). Rv fuse panel diagram